Ball Bearings
Clutch Release Bearings
Tensioner & Idler Bearings
King Pin Thrust Bearings
C.V.Joint Bearings
Hub Wheel Bearings
Alternator Bearings
Air-condition Compressor Bearings
Water Pump Bearings
Tapered Roller Bearings
Ball Bearings Units
Angular Contact Bearings
Self-Aligning Ball Bearings
Pillow Blocks
Thrust Ball Bearings
Linear Motion Ball Bearings
Cylindrical Roller Bearings
Spherical Plain Bearings
Needle Roller Bearings
Self-Lubrication Bearings
Plastic Bearings

User ID:
Password:
Get Password

We're here to help you!
Feel free to contact us for
more support.
Contact Online:
MSN:
dysbearing@hotmail.com
Skype:
dysbearing
TradeManager:
dysgroup
cnzjdys
QQ:
2621206306









DYS screen savers
Downloads





You are here: Home> Catalogue> Self-Lubrication Bearings: FBB090 series
 
FBB090 series

Self-Lubrication Bearings
Model: SF-1 series / SF-1 F series / SF-2 series / FB090 series / FBB090 series / WC... SF series / JF series
 
Online Order Print this page
Showing 1-1 of 1, total pages 1

FBB090 series
 
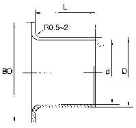
Bearing No. d D BD L
FBB090-2515
FBB090-2525
25
25
28
28
35
35
15
25
FBB090-3020
FBB090-3030
30
30
34
34
45
45

20
30

FBB090-3520
FBB090-3535
35
35
39
39
50
50
20
35
FBB090-4025
FBB090-4040
40
40
44
44
55
55
25
40
FBB090-4530
FBB090-4545
FBB090-4550
45
45
45
50
50
50
60
60
60
30
45
50
FBB090-5030
FBB090-5050
50
50
55
55
65
65
30
50
FBB090-5530
FBB090-5550
55
55
60
60
70
70
30
50
FBB090-6030
FBB090-6035
FBB090-6060
60
60
60
65
65
65
75
75
75
30
35
60
FBB090-6530
FBB090-6560
65
65
70
70
80
80
30
60
FBB090-7040
FBB090-7070
70
70
75
75
85
85
40
70
FBB090-7540
FBB090-7570

75
75

80
80
90
90
40
70
FBB090-8040
FBB090-8080
80
80
85
85
100
100
40
80
FBB090-9050
FBB090-9090
90
90
95
95
110
110
50
90
FBB090-10050
FBB090-10090
100
100
105
105
120
120
50
90
 
 
Bearing No. d D BD L
FBB090-11050
FBB090-11090
110
110
115
115
130
130
50
90
FBB090-12050
FBB090-12090
120
120
125
125
140
140
50
90
FBB090-13060
FBB090-13090
130
130
135
135
155
155
60
90
FBB090-14060
FBB090-14090
140
140
145
145
165
165
60
90
FBB090-15060
FBB090-15090
150
150
155
155
180
180
60
90
FBB090-16060
FBB090-16090
160
160
165
165
190
190
60
90
FBB090-17060
FBB090-17090
170
170
175
175
200
200
60
90
FBB090-18060
FBB090-18090
180
180
185
185
215
215
60
90
FBB090-19060
FBB090-19090
190
190
195
195
225
225
60
90
FBB090-20060
FBB090-20090
200
200
205
205
235
235
60
90
FBB090-22560
FBB090-22590
225
225
230
230
260
260
60
90
FBB090-25060
FBB090-25090
250
250
255
255
290
290
60
90
FBB090-26560
FBB090-26590
265
265
270
270
305
305
60
90
FBB090-28560
FBB090-28590
285
285
290
290
325
325
60
90
FBB090-30060
FBB090-30090
300
300
305
305
340
340
60
90
 

Online Order Print this page
Showing 1-1 of 1, total pages 1


DYS Corporation
Phone Number: (86-576) 8247-9090 (4L)
Fax Number: (86-576) 8241-2588 / 8290-8290
E-mail: info@dysmail.com

 

 

 
Copyright © DYS Corporation
Customer Service