Ball Bearings
Clutch Release Bearings
Tensioner & Idler Bearings
King Pin Thrust Bearings
C.V.Joint Bearings
Hub Wheel Bearings
Alternator Bearings
Air-condition Compressor Bearings
Water Pump Bearings
Tapered Roller Bearings
Ball Bearings Units
Angular Contact Bearings
Self-Aligning Ball Bearings
Pillow Blocks
Thrust Ball Bearings
Linear Motion Ball Bearings
Cylindrical Roller Bearings
Spherical Plain Bearings
Needle Roller Bearings
Self-Lubrication Bearings
Plastic Bearings

User ID:
Password:
Get Password

We're here to help you!
Feel free to contact us for
more support.
Contact Online:
MSN:
dysbearing@hotmail.com
Skype:
dysbearing
TradeManager:
dysgroup
cnzjdys
QQ:
2621206306









DYS screen savers
Downloads





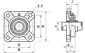
You are here: Home> Catalogue> Pillow Blocks: UCF series
 
UCF series

Pillow Blocks
Model: UCP series / UCPA series / UCF series / UCFA series / UCFC series / UCFL series / UCT series / SAPP, SBPP series / SAPFL, SBPFL series / SBPF, SBPFT series
 
Online Order Print this page
Showing 1-1 of 1, total pages 1

UCF series
Bearing No.

d

mm
in a e i l z s Bi n g
UCF203
UCF203-11
17
17.4625

11/16
86
86
64
64
15
15
25.5
25.5
33.3
33.3
12
12

31
31

12.7
12.7
12
12
UCF204-12
UCF204
19.0500
20
3/4

86
86
64
64
15
15
25.5
25.5

33.3
33.3

12
12
31
31
12.7
12.7
12
12
UCF205-14
UCF205-15
UCF205
UCF205-16
22.2250
23.8125
25
25.4000
7/8
15/16

1

95
95
95
95

70
70
70
70
16
16
16
16

27
27
27
27

35.7
35.7
35.7
35.7
12
12
12
12
34
34
34
34.1

14.3
14.3
14.3
14.3

14
14
14
14
UCF206-17
UCF206-18
UCF206
UCF206-19
UCF206-20
26.9875
28.5750
30
30.1625
31.7500
1-1/16
1-1/8

1-3/16
1-1/4
108
108
108
108
108
83
83
83
83
83
18
18
18
18
18

31
31
31
31
31

40.2
40.2
40.2
40.2
40.2
12
12
12
12
12
38.1
38.1
38.1
38.1
38.1
15.9
15.9
15.9
15.9
15.9
14
14
14
14
14
UCF207-20
UCF207-21
UCF207-22
UCF207
UCF207-23
31.7500
33.3375
34.9250
35
36.5125
1-1/4
1-5/16
1-3/8

1-7/16

117
117
117
117
117

92
92
92
92
92
19
19
19
19
19
34
34
34
34
34
44.4
44.4
44.4
44.4
44.4

14
14
14
14
14

42.9
42.9
42.9
42.9
42.9
17.5
17.5
17.5
17.5
17.5
16
16
16
16
16
UCF208-24
UCF208-25
UCF208
38.1000
39.6875
40
1-1/2
1-9/16

130
130
130
102
102
102
21
21
21
36
36
36
51.2
51.2
51.2
16
16
16
49.2
49.2
49.2
19.0
19.0
19.0
16
16
16
UCF209-26
UCF209-27
UCF209-28
UCF209
41.2750
42.8625
44.4500
45
1-5/8
1-11/16
1-3/4

137
137
137
137
105
105
105
105
22
22
22
22
38
38
38
38
52.2
52.2
52.2
52.2
16
16
16
16
49.2
49.2
49.2
49.2
19.0
19.0
19.0
19.0
18
18
18
18
UCF210-30
UCF210-31
UCF210
UCF210-32
47.6250
49.2125
50
50.8000
1-7/8
1-15/16

2
143
143
143
143
111
111
111
111
22
22
22
22
40
40
40
40
54.6
54.6
54.6
54.6
16
16
16
16
51.6
51.6
51.6
51.6
19.0
19.0
19.0
19.0

18
18
18
18

UCF211-32
UCF211-34
UCF211
UCF211-35
50.8000
53.9750
55
55.5625
2
2-1/8

2-3/16
162
162
162
162

130
130
130
130

25
25
25
25
43
43
43
43
58.4
58.4
58.4
58.4
19
19
19
19
55.6
55.6
55.6
55.6
22.2
22.2
22.2
22.2
20
20
20
20
 
Bearing No.

d

mm
in a e i l z s Bi n g
UCF212-36
UCF212-37
UCF212
UCF212-38
UCF212-39
57.1500
58.7375
60
60.3250
61.9125
2-1/4
2-5/16

2-3/8
2-2/16

175
175
175
175 175

143
143
143
143
143

29
29
29
29
29

48
48
48
48
48

68.7
68.7
68.7
68.7
68.7

19
19
19
19
19

65.1
65.1
65.1
65.1
65.1

25.4
25.4
25.4
25.4
25.4
20
20
20
20
20

UCF213-40
UCF213
UCF213-43

63.5000
65
68.2625
2-1/2

2-11/16

187
187
187

149
149
149
30
30
30

50
50
50

69.7
69.7
69.7

19
19
19
65.1
65.1
65.1
25.4
25.4
25.4
20
20
20

UCF214-44
UCF214

69.8500
70
2-3/4

193
193
152
152
31
31
54
54
75.4
75.4
19
19
74.6
74.6
30.2
30.2
24
24
UCF215-44
UCF215-47
UCF215
UCF215-48
69.8500
74.6125
75
76.2000
2-3/4
2-15/16

3
200
200
200
200
159
159
159
159

34
34
34
34

56
56
56
56

78.5
78.5
78.5
78.5
19
19
19
19
77.8
77.8
77.8
77.8
33.3
33.3
33.3
33.3
24
24
24
24

UCF216-50
UCF216
UCF216-52

79.3750
80
82.5500
3-1/8

3-1/4
208
208
208
165
165
165
34
34
34
58
58
58
83.3
83.3
83.3
23
23
23
82.6
82.6
82.6
33.3
33.3
33.3
24
24
24
UCF217-52
UCF217
82.5500
85
3-1/4

220
220
175
175
36
36
63
63
87.6
87.6
23
23
85.7
85.7
34.1
34.1

26
26

UCF218-56
UCF218
88.9000
90
3-1/2 235
235
187
187
40
40
68
68
96.3
96.3
23
23
96.0
96.0
39.7
39.7
26
26
UCF305-14
UCF305-15
UCF305
UCF305-16
22.2250
23.8125
25
25.4000
7/8
15/16

1
110
110
110
110
80
80
80
80
16
16
16
16

29
29
29
29

39
39
39
39
16
16
16
16
38
38
38
38
15
15
15
15
13
13
13
13
UCF306-18
UCF306
UCF306-19
28.5750
30
30.1625
1-1/8

1-3/16
125
125
125
95
95
95
18
18
18
32
32
32
44
44
44
16
16
16
43
43
43
17
17
17
15
15
15
UCF307-20
UCF307-21
UCF307-22
UCF307
UCF307-23
31.7500
33.3375
34.9250
35
36.5125
1-1/4
1-5/16
1-3/8

1-7/16

135
135
135
135
135

100
100
100
100
100
20
20
20
20
20
36
36
36
36
36
49
49
49
49
49
19
19
19
19
19
48
48
48
48
48
19
19
19
19
19
16
16
16
16
16
UCF308-24
UCF308-25
UCF308
38.1000
39.6875
40
1-1/2
1-9/16

150
150
150
112
112
112
23
23
23
40
40
40

56
56
56

19
19
19
52
52
52
19
19
19
17
17
17
UCF309-26
UCF309-27
UCF309-28
UCF309
41.2750
42.8625
44.4500
45
1-5/8
1-11/16
1-3/4

160
160
160
160
125
125
125
125
25
25
25
25
44
44
44
44
60
60
60
60
19
19
19
19

57
57
57
57

22
22
22
22

18
18
18
18
UCF310-30
UCF310-31
UCF310
47.6250
49.2125
50
1-7/8
1-15/16

175
175
175
132
132
132
28
28
28
48
48
48

67
67
67

23
23
23
61
61
61
22
22
22
19
19
19
 
Bearing No.

d

mm
in a e i l z s Bi n g
UCF311-32
UCF311-34
UCF311
UCF311-25
50.8000
53.9750
55
55.5625
2
2-1/8

2-3/16
185
185
185
185
140
140
140
140
30
30
30
30
52
52
52
52
71
71
71
71
23
23
23
23

66
66
66
66

25
25
25
25
20
20
20
20
UCF312-36
UCF312
UCF312-38
UCF312-39
57.1500
60
60.3250
61.9125
2-1/4

2-3/8
2-7/16
195
195
195
195
150
150
150
150

33
33
33
33

56
56
56
56

78
78
78
78

23
23
23
23
71
71
71
71
26
26
26
26
22
22
22
22
UCF313-40
UCF313
63.5000
65
2-1/2

208
208
166
166
33
33
58
58
78
78
23
23
75
75
30
30
22
22
UCF314-44
UCF314
69.8500
70
2-3/4

226
226
178
178
36
36
61
61
81
81
25
25
78
78
33
33
25
25
UCF315
UCF315-48
75
76.2000

3
236
236
184
184
39
39
66
66
89
89
25
25
82
82
32
32
25
25
UCF316-50
UCF316
79.3750
80
3-1/8

256
256
196
196
39
39
68
68
91
91
31
31
86
86
34
34
27
27
UCF317-52
UCF317
82.5500
85
3-1/4

260
260
204
204
44
44
74
74
100
100
31
31
96
96
40
40
27
27
UCF318-56
UCF318
88.9000
90
3-1/2

280
280
216
216
44
44
76
76
100
100
35
35
96
96
40
40
30
30

Online Order Print this page
Showing 1-1 of 1, total pages 1


DYS Corporation
Phone Number: (86-576) 8247-9090 (4L)
Fax Number: (86-576) 8241-2588 / 8290-8290
E-mail: info@dysmail.com

 

 

 
Copyright © DYS Corporation
Customer Service