 |
We're here to help you!
Feel free to contact us for
more support. |
 |
| Contact Online: |
| MSN: |
| dysbearing@hotmail.com |
| Skype: |
| dysbearing |
| TradeManager: |
| dysgroup |
| cnzjdys |
| QQ: |
| 2621206306 |
|
 |


DYS screen savers
Downloads
|
You
are here: Home> Catalogue>
Water Pump Bearings: Ball-Ball Bearing Series |
| |
| Ball-Ball Bearing Series |
|
|
|
| |
|
|
Showing 1-6 of 4, total pages |
1 2
3 4 5
6 |
|
| WNS series |
 |
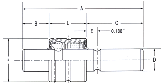
FAG |
A |
B |
C |
D |
E |
K |
L |
D1 |
S1 |
D2 |
S2 |
|
| WNS2299-2 |
2.99 |
0.64 |
1.29 |
0.6267 |
|
1.18 |
1.06 |
|
|
0.4739 |
1.21 |
|
| WNS2325-1 |
3.25 |
0.72 |
1.47 |
0.6267 |
|
1.18 |
1.06 |
|
|
|
|
|
| WNS2332 |
3.33 |
0.81 |
1.46 |
0.4733 |
|
0.94 |
1.06 |
|
|
|
|
|
| WNS2335 |
3.35 |
0.56 |
1.73 |
0.6267 |
|
1.18 |
1.06 |
|
|
0.4739 |
1.63 |
|
| WS2337-1 |
3.38 |
0.57 |
1.63 |
0.6267 |
|
1.18 |
1.18 |
|
|
0.4739 |
1.55 |
|
| WNS2340 |
3.41 |
0.53 |
1.34 |
0.6267 |
|
1.18 |
1.53 |
|
|
0.4739 |
1.25 |
|
| WNS2344-2 |
3.44 |
0.65 |
1.38 |
0.5906 |
|
1.18 |
1.42 |
|
|
|
|
|
| WNS2344-6 |
3.44 |
0.53 |
1.50 |
0.6267 |
|
1.18 |
1.42 |
|
|
0.4739 |
1.35 |
|
| WNS2348-5 |
3.48 |
0.76 |
1.66 |
0.6267 |
|
1.18 |
1.06 |
|
|
0.4739 |
1.56 |
|
| WNS2353 |
3.53 |
0.65 |
1.64 |
0.6267 |
|
1.18 |
1.24 |
|
|
0.4739 |
1.56 |
|
| WNS2354-2 |
3.54 |
0.71 |
1.30 |
0.5906 |
|
1.18 |
1.53 |
|
|
0.4739 |
1.22 |
|
| WNS2360-1 |
3.60 |
0.52 |
1.35 |
0.6267 |
|
1.18 |
1.73 |
|
|
0.4739 |
1.25 |
|
| WNS2411 |
4.11 |
1.03 |
1.56 |
0.5906 |
|
1.18 |
1.53 |
|
|
0.4739 |
1.44 |
|
| WNS2417 |
4.17 |
1.09 |
1.56 |
0.5906 |
|
1.18 |
1.53 |
|
|
0.4739 |
1.44 |
|
| WNS2426 |
4.26 |
0.73 |
2.01 |
0.6267 |
|
1.18 |
1.53 |
|
|
0.4739 |
1.93 |
|
| WNS2430-2 |
4.30 |
0.70 |
1.56 |
0.5906 |
0.188 |
1.18 |
2.05 |
|
|
|
|
|
| WNS2466 |
4.67 |
1.06 |
1.56 |
0.5906 |
|
1.18 |
2.05 |
|
|
0.4739 |
1.44 |
|
| WNS2482 |
4.82 |
1.14 |
1.63 |
0.7874 |
|
1.42 |
2.05 |
0.5906 |
1.13 |
0.4739 |
1.44 |
|
| WNS2493 |
4.93 |
0.70 |
2.19 |
0.5906 |
0.188 |
1.18 |
2.05 |
|
|
|
|
|
| WNS2500 |
5.00 |
0.98 |
1.65 |
1.0000 |
|
2.17 |
2.36 |
|
|
0.6267 |
1.61 |
|
| WNS2500-1 |
5.00 |
0.98 |
1.65 |
1.0000 |
|
2.17 |
2.36 |
|
|
0.5906 |
1.61 |
|
| WNS2514 |
5.15 |
1.30 |
1.80 |
0.7874 |
|
1.42 |
2.05 |
0.5906 |
1.29 |
0.5906 |
1.68 |
|
| WNS2535-1 |
5.36 |
0.93 |
2.31 |
1.0000 |
|
1.88 |
2.13 |
0.7465 |
0.82 |
0.6267 |
2.11 |
|
| WNS2616-6 |
6.17 |
1.39 |
2.41 |
1.0000 |
|
2.17 |
2.36 |
0.7465 |
0.50 |
0.6267 |
2.28 |
|
| WNS6299-2 |
2.99 |
0.64 |
1.29 |
0.6267 |
|
1.18 |
1.06 |
|
|
0.4759 |
1.21 |
|
|
|
| |
Showing 1-6 of 4, total pages |
1 2
3 4 5
6 |
| DYS
Corporation |
Phone Number: (86-576) 8247-9090 (4L)
Fax Number: (86-576) 8241-2588 / 8290-8290 |
| E-mail: info@dysmail.com |
|
|