 |
We're here to help you!
Feel free to contact us for
more support. |
 |
| Contact Online: |
| MSN: |
| dysbearing@hotmail.com |
| Skype: |
| dysbearing |
| TradeManager: |
| dysgroup |
| cnzjdys |
| QQ: |
| 2621206306 |
|
 |


DYS screen savers
Downloads
|
You
are here: Home> Catalogue>
Water Pump Bearings: Ball-Ball Bearing Series |
| |
| Ball-Ball Bearing Series |
|
|
|
| |
|
|
Showing 1-6 of 3, total pages |
1 2
3 4 5
6 |
|
| WS series |
 |
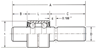
| FAG |
A |
B |
C |
D |
E |
K |
L |
D1 |
S1 |
D2 |
S2 |
D22 |
S22 |
|
| WS2262 |
2.62 |
0.33 |
1.23 |
0.6267 |
|
1.18 |
1.06 |
0.5133 |
0.26 |
0.4739 |
1.19 |
|
|
|
| WS2263 |
2.59 |
0.98 |
0.08 |
0.6267 |
|
1.18 |
1.53 |
|
|
|
|
|
|
|
| WS2279 |
2.80 |
0.37 |
1.36 |
0.6267 |
|
1.18 |
1.06 |
|
|
0.4739 |
1.28 |
|
|
|
| WS2307 |
3.07 |
0.53 |
1.48 |
0.4739 |
|
0.94 |
1.06 |
|
|
|
|
|
|
|
| WS2311 |
3.11 |
0.54 |
1.52 |
0.6267 |
0.188 |
1.18 |
1.06 |
|
|
|
|
|
|
|
| WS2315-1 |
3.15 |
0.56 |
1.28 |
0.5000 |
|
0.94 |
1.31 |
|
|
|
|
|
|
|
| WS2315-2 |
3.15 |
0.62 |
1.47 |
0.6267 |
|
1.18 |
1.06 |
|
|
|
|
|
|
|
| WS2325 |
3.26 |
0.63 |
1.31 |
0.4739 |
|
0.94 |
1.31 |
|
|
|
|
|
|
|
| WS2332-1 |
3.33 |
0.68 |
1.59 |
0.6267 |
0.188 |
1.18 |
1.06 |
|
|
|
|
|
|
|
| WS2333 |
3.33 |
0.68 |
1.59 |
0.6267 |
|
1.18 |
1.06 |
|
|
0.4739 |
1.49 |
|
|
|
| WS2334-6 |
3.35 |
0.67 |
1.61 |
0.6267 |
|
1.18 |
1.06 |
0.5906 |
0.56 |
0.4739 |
1.38 |
|
|
|
| WS2340-2 |
3.41 |
0.53 |
1.34 |
0.6267 |
|
1.18 |
1.53 |
|
|
0.4739 |
1.25 |
|
|
|
| WS2344-1 |
3.44 |
0.53 |
1.50 |
0.5906 |
0.188 |
1.18 |
1.42 |
|
|
|
|
|
|
|
| WS2344-4 |
3.44 |
0.53 |
1.50 |
0.5906 |
|
1.18 |
1.42 |
|
|
0.4739 |
1.35 |
|
|
|
| WS2344-6 |
3.44 |
0.53 |
1.50 |
0.6267 |
|
1.18 |
1.42 |
|
|
0.4739 |
1.35 |
|
|
|
| WS2345 |
3.46 |
0.70 |
1.69 |
0.6267 |
|
1.18 |
1.06 |
|
|
|
|
|
|
|
| WS2349 |
3.49 |
0.76 |
1.32 |
0.6267 |
|
1.18 |
1.42 |
|
|
|
|
|
|
|
| WS2351 |
3.51 |
0.82 |
1.63 |
0.6267 |
|
1.18 |
1.06 |
|
|
0.4739 |
1.50 |
|
|
|
| WS2357-2 |
3.57 |
0.55 |
1.49 |
0.6693 |
|
1.42 |
1.53 |
|
|
0.5906 |
1.34 |
|
|
|
| WS2358-1 |
3.58 |
0.67 |
1.50 |
0.6267 |
|
1.18 |
1.41 |
0.5906 |
0.57 |
0.4739 |
1.35 |
|
|
|
| WS2362 |
3.62 |
0.67 |
1.38 |
0.4739 |
|
1.02 |
1.57 |
|
|
|
|
|
|
|
| WS2372 |
3.72 |
0.85 |
1.34 |
0.4739 |
|
1.02 |
1.53 |
|
|
|
|
|
|
|
| WS2377-2 |
3.78 |
0.67 |
1.65 |
0.7874 |
|
1.42 |
1.46 |
0.6267 |
0.67 |
0.6267 |
1.64 |
|
|
|
| WS2383 |
3.84 |
0.90 |
1.41 |
0.5906 |
|
1.18 |
1.53 |
|
|
|
|
|
|
|
| WS2385-7 |
3.86 |
0.67 |
1.66 |
0.6267 |
|
1.18 |
1.53 |
|
|
|
|
|
|
|
|
| FAG |
A |
B |
C |
D |
E |
K |
L |
D1 |
S1 |
D2 |
S2 |
D22 |
S22 |
|
| WS2385-8 |
3.86 |
0.71 |
1.62 |
0.6267 |
0.188 |
1.18 |
1.53 |
|
|
|
|
|
|
|
| WS2401 |
4.02 |
1.06 |
1.38 |
0.4739 |
|
1.02 |
1.57 |
|
|
|
|
|
|
|
| WS2401-3 |
4.02 |
0.55 |
1.84 |
|
|
1.50 |
1.63 |
|
|
0.6267 |
1.76 |
0.5138 |
0.78 |
|
| WS2346 |
4.36 |
0.60 |
1.90 |
0.7874 |
|
1.85 |
1.87 |
|
|
0.6267 |
1.88 |
|
|
|
| WS2443 |
4.44 |
1.13 |
1.68 |
|
|
1.50 |
1.63 |
0.6267 |
1.00 |
0.6267 |
1.56 |
|
|
|
| WS2460 |
4.61 |
0.96 |
2.02 |
|
|
1.50 |
1.63 |
|
|
0.6267 |
1.70 |
|
|
|
| WS2468-2 |
4.69 |
1.05 |
2.01 |
|
|
1.50 |
1.63 |
|
|
0.6267 |
1.89 |
|
|
|
| WS2485 |
4.85 |
1.00 |
1.60 |
0.6267 |
|
1.18 |
2.25 |
|
|
|
|
|
|
|
| WS2503 |
5.04 |
0.91 |
1.88 |
0.6267 |
|
1.18 |
2.25 |
|
|
|
|
|
|
|
| WS2509 |
5.10 |
1.30 |
1.68 |
|
|
1.50 |
2.13 |
0.6692 |
1.20 |
0.6692 |
1.58 |
|
|
|
| WS2511 |
5.12 |
1.26 |
1.99 |
1.1810 |
|
2.17 |
1.86 |
|
|
0.5906 |
1.88 |
|
|
|
| WS3385-7 |
3.86 |
0.67 |
1.66 |
0.6267 |
0.188 |
1.18 |
1.53 |
|
|
|
|
|
|
|
| WS6315-1 |
3.15 |
0.56 |
1.28 |
0.5000 |
|
0.94 |
1.31 |
|
|
|
|
|
|
|
| WS6315-2 |
3.15 |
0.62 |
1.47 |
0.6267 |
0.188 |
1.18 |
1.06 |
|
|
|
|
|
|
|
| WS6332 |
3.33 |
0.81 |
1.46 |
0.4759 |
0.188 |
0.94 |
1.06 |
|
|
|
|
|
|
|
| WS6332-1 |
3.33 |
0.68 |
1.59 |
0.6267 |
0.188 |
1.18 |
1.06 |
|
|
|
|
|
|
|
| WS6354 |
3.54 |
1.47 |
0.54 |
0.4744 |
|
1.02 |
1.54 |
|
|
|
|
|
|
|
| WS6364-4 |
3.64 |
1.47 |
0.64 |
0.4744 |
|
1.02 |
1.54 |
|
|
|
|
|
|
|
| WS6372 |
3.72 |
0.85 |
1.34 |
0.4744 |
|
1.02 |
1.53 |
|
|
|
|
|
|
|
| WS6410-3 |
4.02 |
0.55 |
1.84 |
0.7485 |
|
1.50 |
1.63 |
|
|
0.6267 |
1.76 |
0.5138 |
0.78 |
|
| WS6443 |
4.44 |
1.13 |
1.68 |
0.7485 |
|
1.50 |
1.63 |
0.6267 |
1.00 |
0.6267 |
1.56 |
|
|
|
| WS6468-2 |
4.69 |
1.05 |
2.01 |
0.7485 |
|
1.50 |
1.63 |
|
|
0.6267 |
1.89 |
|
|
|
| WS6475B |
4.75 |
1.32 |
1.81 |
0.7485 |
|
1.50 |
1.63 |
0.6267 |
0.63 |
0.6290 |
1.71 |
|
|
|
|
|
| |
Showing 1-6 of 3, total pages |
1 2
3 4 5
6 |
| DYS
Corporation |
Phone Number: (86-576) 8247-9090 (4L)
Fax Number: (86-576) 8241-2588 / 8290-8290 |
| E-mail: info@dysmail.com |
|
|